Select your region & language

Murata introduces world’s smallest encoder switch: micro ES

  • Sensors

30-08-2017


This product has been discontinued.


Overview
Murata Manufacturing Co., Ltd. has successfully developed an ultra-small rotary encoder with switch, the micro ES, which is now the world’s smallest encoder switch.
This product is primarily intended for smart watches, Bluetooth supporting headsets, and smart glasses. 
Samples are now  available, with mass production scheduled to start in December.


Details
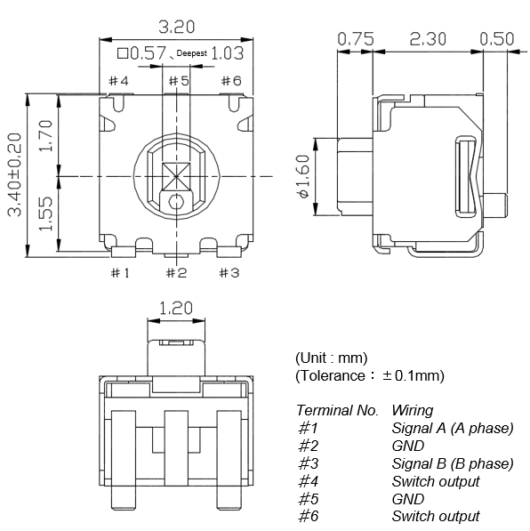
Wearable devices require a user interface that is small but has excellent operability. The micro ES was developed as an encoder switch that meets these requirements. Precision process technology and module development were used to integrate an incremental type rotary encoder switch with a tact switch, resulting in ultra-small size (3.4✕3.2✕2.3mm, excluding projections) with click sensation, 2-phase pulse output, and a push switch function. 


Product site URL
https://www.murata.com.cn/en-global/products/sensor/rotaryposition/svm3


Specification
Part Number:SVM3A012A0A00R00
[Rotary encoder]
Output mode: 2 outputs - A phase and B phase
Output count: 6 pulses/360 degrees, per 1 phase
Phase difference: 15 degrees ±10 degrees
Click count: 12 clicks/360 degrees
[Tact switch]
Operating force: 1.6±0.5N


Output signal waveform


External size
3.4✕3.2✕2.3 mm (excluding projections)




External appearance image



Installation example



Murata in Brief

Murata Manufacturing Co., Ltd. is a worldwide leader in the design, manufacture and sale of ceramic-based passive electronic components & solutions, communication modules and power supply modules. Murata is committed to the development of advanced electronic materials and leading edge, multi-functional, high-density modules. The company has employees and manufacturing facilities throughout the world. For more information, visit Murata's website at www.murata.com.cn

Subscribe to Product & Event News

Sign Up for Our Free Email Newsletter