Select your region & language

2020 (5.0 × 5.0mm) wire wound common mode choke coils guaranteed to 150°C for automotive applications — PLT5BPH Series —

  • Noise Suppression Products / EMI Suppression Filters / TVS Diodes (ESD Protection Devices)

3/6/2015

PLT5BPH

Overview

Murata Manufacturing Co., Ltd., has released the PLT5BPH series of 2020-size (5.0 × 5.0mm) wire wound-type power supply common mode choke coils for automotive applications. They have a maximum guaranteed operating temperature of 150°C and a maximum current rating of 5.6A.

Background

In recent years, the automobile market has placed a great deal of importance on improving efficiency and the ability to withstand severe environments. To achieve more precise control, many manufacturers are placing electronic components closer to the engine or transmission. Therefore, there is strong demand for noise filters that can be used in environments with high temperatures up to 150°C. 
To meet this demand, Murata has developed compact wire wound-type common mode choke coils capable of handling large currents and usable at temperatures up to 150°C.


Features

  • Suitable for use in automotive powertrain applications, AEC-Q200-compliant.
  • Usable temperature range of -55°C to +150°C.
  • Compact size (5.0 × 5.0mm) and capable of handling large currents up to 5.6A.
  • Generates maximum 500Ω common mode impedance (at 10MHz), so substantial noise suppression can be expected. 
  • Differential mode impedance is high in addition to common mode impedance, enabling substantial suppression of normal mode noise.

Applications

  • Power lines of automotive modules such as ECUs and transmission control units that operate in high-temperature environments.
  • Power lines of car navigation and car audio systems, etc.

Parts List

PLT5BPH Series
  
Click here. for the series line-up
  

Characteristics

PLT5BPH

Electric characteristics

  • Common mode impedance (at 10MHz): 100 to 500Ω
  • Rated current: 3.1 to 5.6A*
  • Rated voltage: 80Vdc
  • Operating temperature range: -55 to +150°C
* Derating of the rated current may be necessary for use at temperatures exceeding +125°C.

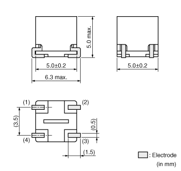
External Size

PLT5BPH
  

Production

Mass Production

 

Murata in Brief

Murata Manufacturing Co., Ltd. is a worldwide leader in the design, manufacture and sale of ceramic-based passive electronic components & solutions, communication modules and power supply modules. Murata is committed to the development of advanced electronic materials and leading edge, multi-functional, high-density modules. The company has employees and manufacturing facilities throughout the world. For more information, visit Murata's website at www.murata.com.cn

Subscribe to Product & Event News

Sign Up for Our Free Email Newsletter