Select your region & language

LF Antennas (Antenna Coils)RX Antenna Coils

  • High reliability conforms to automotive applications.
  • Encapsulated core and winding foranti-shock structure.
  • High sensitivity due to optimized magnetic material and electrode structure.
  • Triaxial LF antenna coil. (SA-X20 SA3D12)
  • Applicable to reflow soldering.
  • RoHS compliant.

3d Rx-LF antenna coil

SA-X20 Type

Appearance & Shape

SA-X20 Type
12.0×12.0×3.4 mm(Typ.)

Features & Applications

Features

  • High reliability conforms to automotive applications.
  • Encapsulated core and winding for anti-shock structure.
  • High sensitivity due to optimized magnetic material and electrode structure.
  • Recommended for 125 kHz ICs (low Q)
  • Applicable to reflow soldering.
  • AEC-Q200 compliant.
  • Operating temperature range: −40°C to +85°C

Applications

  • Automotive smart key systems
  • Smart key for home systems
  • Worker safety devices
  • Welfare equipment such as monitoring systems
  • Wireless power supply position deviation detection equipment

Packaging Information

Specifications Standard Packing Quantity
330mm Embossed Tape 1000

Product Lineup

wipe left or right to change screens View in landscape mode.
Part Number MSA3RBA47A MSA3RBA006 MSA3RBA72A MSA3RBA80A
X axis Inductance [mH] 4.7 6.3 7.2 8.0
Unloaded Q Min. 18.0 20.0 20.0 20.0
Sensitivity*1 [mV/uT]
(mV/A/m)
60.0
(75.0)
70.0
(85.0)
75.0
(95.0)
80.0
(100.0)
Y axis Inductance [mH] 4.7 6.3 7.2 8.0
Unloaded Q Min. 18.0 20.0 20.0 20.0
Sensitivity*1 [mV/uT]
(mV/A/m)
60.0
(75.0)
70.0
(85.0)
75.0
(95.0)
80.0
(100.0)
Z axis Inductance [mH] 7.2 9.0 10.6 13.0
Unloaded Q Min. 18.0 18.0 18.0 20.0
Sensitivity*1 [mV/uT]
(mV/A/m)
60.0
(75.0)
70.0
(85.0)
75.0
(95.0)
80.0
(100.0)
Test Frequency [kHz] 125.0 125.0 125.0 125.0
Inductance Tolerance [%] ±5% ±5% ±5% ±5%
Stock Check
  • *1Sensitivity values are reference values.
    Also, values in parentheses were calculated based on conversion of magnetic flux density to magnetic field strength.

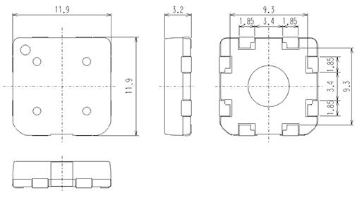
SA3D12 Type

Appearance & Shape

SA3D12 Type
11.9×11.9×3.2 mm(Typ.)

Features & Applications

Features

  • High reliability conforms to automotive applications.
  • Encapsulated core and winding for anti-shock structure.
  • High sensitivity due to optimized magnetic material and electrode structure.
  • Recommended for 134.2 kHz ICs (high Q)
  • Applicable to reflow soldering.
  • AEC-Q200 compliant.
  • Operating temperature range: −40°C to +85°C

Applications

  • Automotive smart key systems
  • Smart key for home systems
  • Worker safety devices
  • Welfare equipment such as monitoring systems
  • Wireless power supply position deviation detection equipment

Packaging Information

Specifications Standard Packing Quantity
330mm Embossed Tape 1000

Product Lineup

Part Number 1335BBN-0001=P3
X axis Inductance [mH] 4.5
Unloaded Q Min. 25.0
Sensitivity*1 [mV/uT]
(mV/A/m)
55.0
(70.0)
Y axis Inductance [mH] 4.5
Unloaded Q Min. 25.0
Sensitivity*1 [mV/uT]
(mV/A/m)
55.0
(70.0)
Z axis Inductance [mH] 7.6
Unloaded Q Min. 25.0
Sensitivity*1 [mV/uT]
(mV/A/m)
50.0
(65.0)
Test Frequency [kHz] 134.2
Inductance Tolerance [%] ±5%
Stock Check
  • *1Sensitivity values are reference values.
    Also, values in parentheses were calculated based on conversion of magnetic flux density to magnetic field strength.