Select your region & language

Piezo Vibration Actuator Evaluation Kit PJX-20-D001

*It's unfortunate, but development of this product has stopped.

Piezo Vibration Actuator Evaluation Kit
PJX-20-D001

Application
  • Vibration or haptics for light weight wearable devices
    (20g assumed)

This is an evaluation kit for Murata piezo vibration actuator.

  • Piezo Vibe on PCB (PJZ-20-0004) 2pcs
  • Piezo Vibe Ring Demo (PJX-20-D004) 1pcs
  • ASIC Board with USB Connector (PJX-20-D002) 1pcs

Instruction

Assembled appearance

Notice: USB TypeC to C cable might not be operated Piezo Vibe.
Please use USB TypeC to A cable.

Evaluation Kit information

Piezo Vibe with FR-4

1) Appearance

Notice

Do not wash. This product is not sealed.
Do not press with a sharp object.

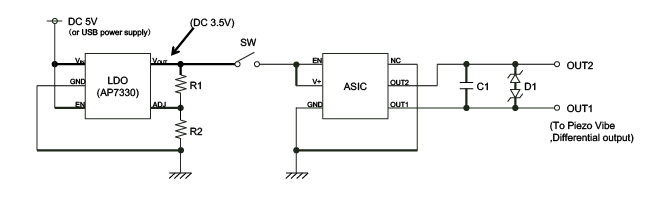
Drive Circuit

1) Appearance

2) Circuit diagram

Piezo Vibe with Ring

1) Appearance