Select your region & language

Ceramic Resonators (CERALOCK) FAQQDoes CERALOCK have orientation?

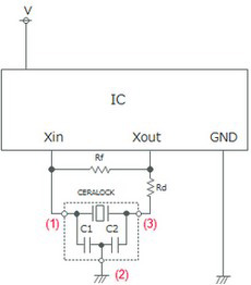
A
CERALOCK has orientation. Please connect input terminal(1) to XIN of IC, output terminal(3) to XOUT.
When putting components in direction where frequency marking is readable, terminal number shall be (3)(2)(1) from left.

Related FAQs
Most people who viewed this page also referred to the following pages.
Q.
What are the meanings of the Marking?
Q.
Is there any problem if CERALOCK is mounted in opposite direction?
Q.
Why does frequency correlation occur when CERALOCK is mounted in opposite direction?

We appreciate your cooperation with the FAQ improvement questionnaire.
Were these FAQs helpful?

We would like to hear your opinions and requests regarding these FAQs.
Opinions from customers will be used to improve the FAQs.
We will not respond to inquiries and requests received by this form.

For product inquiries, please contact us using our contact form.