选择您的地区和语言

关于压电振荡器的研发

  • 微型机电产品

2017/3/21


该产品已停止生产。


要旨

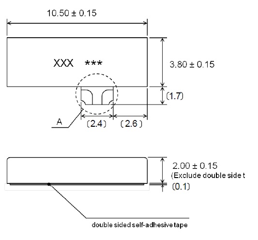
株式会社村田制作所研发出使用压电陶瓷的小型(10.5×3.8mm×2mm)且低功耗(6mW、A3VDC)的振荡器PJFV系列。自2月份开始依次生产样品,预计4月份开始量产。

背景

近来掀起一股健康热潮,计步器成为监测健康状态的活动量计,手表成为像移动电话和智能手机一样可以通电话和收发短信的智能手表,小型计算机可随身携带,所谓的可穿戴设备被商品化。这些通知功能中新增了使用光亮、声音以及振动的模式。要求元件必须有助于组件的小型化和电池长期使用。

特点

  • 低功耗 6mW(一般ERM约200mW)
  • 小型 10.5×3.8mm×2mm(一般ERM约4mm厚)
    ※ERM=Eccentric rotation motor
  • 扁平封装 外部无可移动部分。(可接近外壳)

用途

可穿戴设备通知用振荡器

型号

PJFV系列

电气特性

Item Specification
Vibration quantity
(driven by 3V, at resonant frequency)
1.2G (@20g)
Vibration frequency 240Hz ± 35Hz
Rated working voltage 3V
Current consumption 2mA rms.

外形尺寸图

生产体制

自2017年4月开始量产

关于村田制作所

村田制作所是一家全球性的综合电子元器件制造商,主要从事以陶瓷为基础的电子元器件的开发、生产和销售业务。致力于通过自身开发积累的材料开发、工艺开发、商品设计、生产技术以及对它们提供支持的软件和分析评估等技术基础,创造独特产品,为电子社会的发展做出贡献。 详情请单击此处链接 www.murata.com.cn/zh-cn/

订阅产品信息及活动新闻

免费注册电子杂志