要旨
村田制作所扩充磁性传感器的产品阵容,将作为AMR传感器的模拟输出型MRES系列商品化。将机床的旋转编码器作为主要用途,从7月开始量产。
详情
AMR传感器是使用磁性阻抗元件的磁性传感器。在电极的旋转轴上安装磁铁,通过接近它,可检测出旋转和位移。
机床等的旋转编码器要求小型、低功耗。为了满足该需求,本公司研发出使用高阻抗AMR元件的模拟输出型MRES系列,和一直以来内置IC的数字输出型(磁性开关)一起,扩充了AMR传感器的产品阵容。
今后将致力于机床等各种工业设备的编码器的扩销。
电气特性 例:MRES301B
| |
值 |
条件 |
| 电源电压 |
5.0V |
|
| 阻抗值 |
550kΩ Typ. |
Vcc-Gnd間 |
| 中点电位 |
2500mV Typ |
|
| 磁场施加时的变动值 |
25mV Min. |
B=8mT |
外形尺寸
4.0 x 4.0 x 0.7 mm

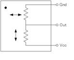
磁场施加方向和等价电路

输出事例

应用事例

产品网站URL
村田制作所是一家全球性的综合电子元器件制造商,主要从事以陶瓷为基础的电子元器件的开发、生产和销售业务。致力于通过自身开发积累的材料开发、工艺开发、商品设计、生产技术以及对它们提供支持的软件和分析评估等技术基础,创造独特产品,为电子社会的发展做出贡献。 详情请单击此处链接
www.murata.com.cn/zh-cn/