选择您的地区和语言

陶瓷电容器0402 (01005) in mm (inch) 尺寸对应 狭窄压纹带间距 (宽: 4mm、间距: 1mm)

对应W4P1 (宽: 4mm、间距: 1mm) 的新电路板封装需求,村田的提出新式编带包装方式“压纹带”。

优点

优点

环境对应

极大地降低了包装材料的浪费

W4P1压纹带与W8P2的纸带相比,相同元件的包装材料大小 (就表面积比率而言) 减少到1/4。
这就在贴装过程中极大地减少了包装材料的浪费。
另外,通过减小包装尺寸也相应的减少了运输能源的消耗和二氧化碳的排放。

0402 (01005) in mm (inch) 尺寸元件的包装大小对比 Dimensional comparison for 0402 (01005) in mm (inch) tape

省贴装空间对应

通过减少所需空间节省贴装空间

减少元件的储存空间

同一尺寸的片状元件包装,压纹带W4P1比W8P2纸带更窄,间距也相应的减少了,这样就使得带区得到更充分的利用。这样就大大的减少了元件的储存空间。

可左右滑动屏幕 请使用横屏浏览
reelテープリールの薄型化により実装ラインスペースが縮小

无尘贴装对应

解决纸屑绒毛和灰尘的问题

纸屑绒毛和灰尘的测量

当使用纸带包装的片状元件放入贴装机后,纸带的绒毛和灰尘可能会造成超小型元件焊缝的瑕疵。 由塑料做成的压纹带可以解决这个问题,它可以为超小型芯片元件的贴装提供一个无尘的空间,满足多种电路板贴装的不同需求,非常灵活。

纸屑绒毛和灰尘的数量 Shin-Etsu Polymer Co., Ltd.提供

提高空腔的空隙

压纹带的放大照片

由于压纹带与现有的纸带包装相比,产生的绒毛和纸屑极少,因此可以预防空腔的堵塞。从而解决拾取问题。

Enlarged picture of embossed tape Shin-Etsu Polymer Co., Ltd.提供

极高的取放稳定性

压纹带W4P1在包装中不会产生绒毛和灰尘,在贴装过程中可以有效的阻止吸嘴的堵塞,这就可以长时间稳定吸取元件,从而减少吸嘴的频繁维护工作。

吸嘴堵塞对比

Comparison of nozzle clogging

贴装稳定性对应

减少静电问题

压纹带经过防静电的特殊处理,可以避免在贴装过程中上胶带脱离而产生的静电现象。
这就不仅能够减少贴装机的拾取问题,同时也能够减少半导体的静电放电破坏风险。

胶带脱离的静电电压测量

Measurement of peeled-off charged electrostatic voltage

超强的尺寸稳定性和储存稳定性

由于压纹带在由于环境因素 (温度,湿度) 而引起的空腔变化影响很小,因此尺寸比较稳定。
这就使得在高温,高湿的情况下,压纹带可以储存的更为长久,也可以减少在贴装过程中的拾取问题。

尺寸变化比较

在经过一天的高温和高湿的条件下,测量空腔尺寸的变化 (70℃/85%) 。

Pocket size variations (Paper Taping vs. Embossed Taping)
Pocket size variations were measured after leaving for one day under high temperature/high humidity condition (70°C/85%).

空腔尺寸的变化 (纸带与压纹带对比)

适用产品

适用于0402 (01005) in mm (inch) 尺寸

根据包装规格,适用于0402 (01005) in mm (inch) 尺寸。

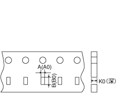
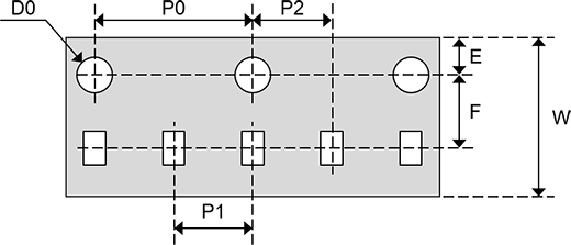
适用产品的编带规格 (mm)

可左右滑动屏幕 请使用横屏浏览
类型 W P0 P1 P2 E F D0
W4P1压纹带 4.0 2.0 1.0 1.0 0.9 1.8 0.8
W8P2纸带 8.0 4.0 2.0 2.0 1.75 3.5 1.5

W4P1

适用产品的编带规格 W4P1

W8P2

适用产品的编带规格 W8P2

压纹带W4P1的适用产品和包装材料

可左右滑动屏幕 请使用横屏浏览
元件尺寸
in mm
(inch)
新型包装方式 现行包装方式
编带尺寸 包装材料 编带尺寸 包装材料
0402
(01005)
W4P1 静电对策塑料 W8P2