选择您的地区和语言

功率半导体LED Boost
ARC2C0608

效率出众的LED背光驱动器

  • 目前生产
  • 推荐
  • New
Read more
  • 符合RoHS指令的产品
Read more

产品详情

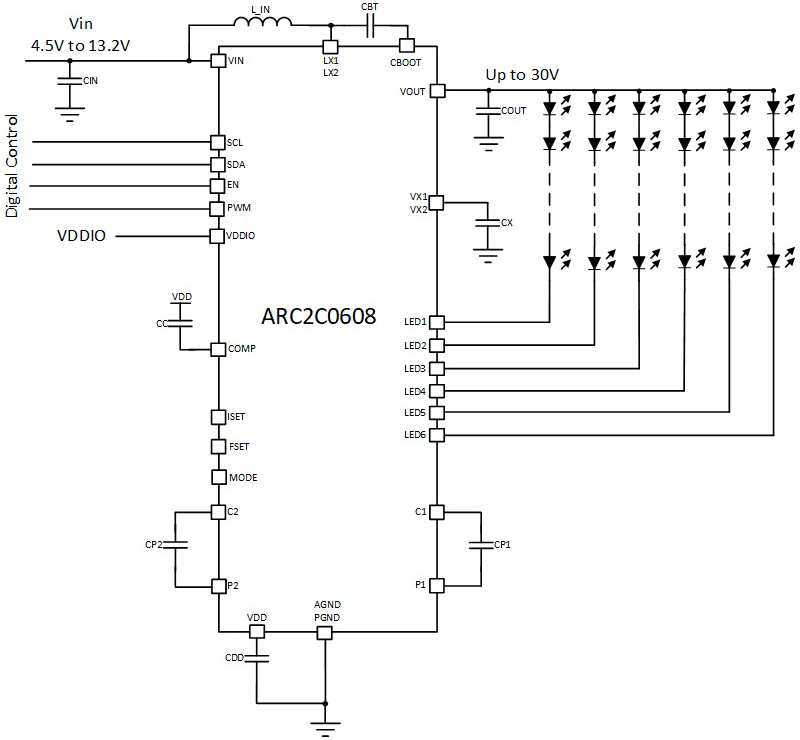
ARC2C0608是一款效率出众的DC-DC转换器,最多可驱动6串LED,并内置灌电流编程功能。
本产品集成了全部MOSFET及其控制器和驱动电路。
通过采用村田特有的架构,在紧凑的WLCSP-35封装中实现了超高转换效率(>94%)。
通过0.4 mm间距的WLCSP和高开关频率提供了一种小型化解决方案,可满足很新移动产品的需求。

Vin [V] 4.5-13.2
Vo [V] 30
Efficiency [%] 95
Strings [#] 6
Io/String [mA] 30
Dynamic Range [bit] 12
Control PWM and/or I2C
Package WLCSP
Feature Integrated output disconnect switch, Open LED/Short LED/OCP/OVP/OTP/UVLO Protection, Linear/Log/Hybrid Dimming, Adjustable Fsw
Product Family LED Boost
Image of ARC2C0608

技术指南

可浏览功率半导体的各技术资料。
点击下载按钮,即可浏览、下载文件。
※可能会在无提前告知的情况下对Datasheet中记载的内容进行变更或停止提供。

Datasheet
可浏览特征、规格和測試方法。

Datasheet (PDF: 1.8 MB)

"产品特点图标"说明

符合RoHS指令的产品符合

基于RoHS指令,除开不适用于此指令的部分,剩下适用于此指令的同质量的部分,没有超出RoSH指令限制物规定的超高容许重量浓度的含有标准。

限制物质 超高容许重量浓度
0.1%
水银 0.1%
0.01%
六价铬 0.1%
多溴化联苯(PBB) 0.1%
多溴联苯醚(PBDE) 0.1%
邻苯二甲酸二(2-乙基)己酯(DEHP) 0.1%
邻苯二甲酸丁酯苯甲酯(BBP) 0.1%
邻苯二甲酸二丁酯(DBP) 0.1%
邻苯二甲酸二异丁酯(DIBP) 0.1%
REACH法规达标产品reach

是指符合REGULATION (EC) No 1907/2006(REACH法规)规定的产品

REACH法规的成品所含物质规定:
根据REACH法规的第67条第1款,明确规定了禁止物质和限制产品用途。 产品中含有高关注物质(SVHC)时,欧洲境内的供应商有义务事先提供安全使用该产品的信息(REACH第33条)。 并非禁止物质,没有产品使用上的限制。 详情请确认 "含有SVHC产品的安全使用信息"
AEC-Q200AEC-Q200
符合AEC-Q200的产品