选择您的地区和语言

RFID Products电子设备管理用

可在印刷基板上进行焊接贴装的RFID标签。
提供推荐图案,使用的基板的GND部分可作为RFID标签的天线使用。

请参见以下页面,以获取村田超小型RFID标签的详细信息,包括介绍应用案例的视频,超小型标签的优点以及下载资料等。

For electronic equipment management

系列一览

Part number LXMS21ACMF-218 PDF LXMS21ACMD-220 PDF
Appearance
RFID standard ISO 18000-63 / EPC Global Gen2v2
IC Impinj Monza R6 Impinj Monza 4QT
EPC memory 96bit 128bit
User memory NA 512bit
Size (L×W×H) 2.0 × 1.2 × 0.5 mm
Read range* 9m (on PCB) 7m (on PCB)
库存检索
备注 接受订单的最迟期限 : 2026/03/31
停产日 : 2026/07/31
  • 代用品请向本公司咨询(预计于2026/04/01开始量产)
接受订单的最迟期限 : 2026/03/31
停产日 : 2026/09/30
  • 代用品请向本公司咨询(预计于2026/04/01开始量产)

Frequency: UHF band (865 to 928 MHz)

  • *Reference

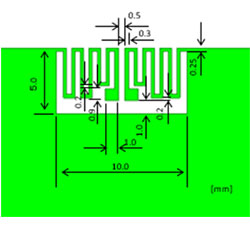
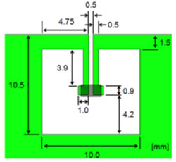
基板贴装时的推荐图案

可左右滑动屏幕 请使用横屏浏览
安装图 Normal1 Small1 Normal2 Small2
对应型号 LXMS21ACMF-218 LXMS21ACMD-220
缩略图
*点击图像,
即可看到详细
尺寸。
Normal1 Small1 Normal2 Small2
DXF形式 DXF-218-normal1.zip DXF-218-small1.zip DXF-220-normal2.zip DXF-220-small2.zip
Gerber形式(RS274x) Gerber-218-normal1.zip Gerber-218-small1.zip Gerber-220-normal2.zip Gerber-220-small2.zip
  • 请使用从客户处获取的基板的GND和导通。
    使用多层基板时,请在表层以外的模式使用数据中的L2模式。
    读取距离随着GND 长度的变化会发生改变。详情请参照以下内容。