选择您的地区和语言

压电振动马达评估套件 PJX-20-D001

※非常遗憾!本产品已终止研发。

压电振动马达评估套件 PJX-20-D001

应用

  • 轻量可穿戴设备的振动或触觉(大约20克)

这是压电振动马达评估套件。

  • PCB上Piezo Vibe(PJZ-20-0004)2个
  • Piezo Vibe指环演示(PJX-20-D004)1个
  • 带USB接口的ASIC板(PJX-20-D002)1个

操作说明

组装好的样子

【注意】

压电振动马达可能无法使用USB TypeC转C的电缆。请使用USB TypeC转A的电缆。

评估套件信息

Piezo Vibe with FR-4

1) 外观

【注意】

请勿水洗。本产品未密封。请勿用尖锐物按压。

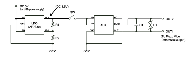
驱动电路

1) 外观

2) 电路图

Piezo Vibe(带指环)

1) 外观

文档下载

关联网站