选择您的地区和语言

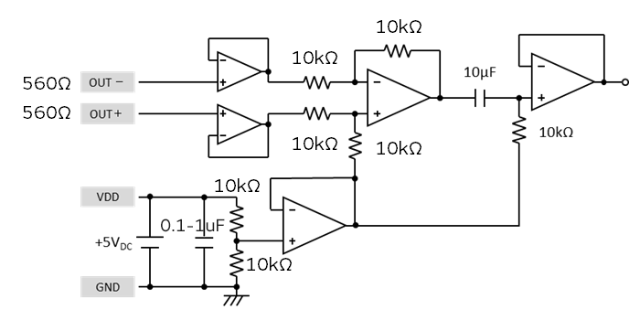
振动传感器的FAQ Q请告知振动传感器的差分输出建议电路。

A

要提取差分输出(VOUT+)−(VOUT−),请使用下图所示的电路。

建议的电路配置示例
  • 参考放大器型号示例 : TLV316的等效型号
  • 采用本产品时,请贵公司自行选择和评估测试。

请配合完成FAQ改善问卷。
FAQ对您有帮助吗?

如果可以的话,请您提出对FAQ的意见及要求。
您的意见将会用于FAQ的改善中。

  • 以这一方式提出的疑问及要求将不予以回复。

如您有产品相关的疑问,请点击“联系我们”进行咨询。